- Hoy:
- Partidos de hoy
- Cerro Porteño vs Sporting Cristal
- Boca Juniors vs Universidad Católica
- Universitario
- Alianza Lima
- Tabla Liga 1
- Fichajes Vóley
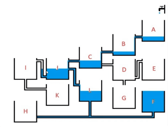
¿Eres lo suficientemente LISTO para encontrar el recipiente más rápido de llenar de agua?
Si crees tener un gran nivel de raciocinio, entonces supera la dificultad de este ejercicio mental que generó miles de derrotas. ¡Confiamos en tus capacidades!

¿Pretendes poner en acción a tu cerebro? Entonces, te interesará desarrollar este nuevo acertijo mental que traen tus amigos del Diario Líbero. Es importante resaltar que cualquiera no logra resolverlo, pues deberás tener una MENTE BRILLANTE.

PUEDES VER: ¿Qué va hacia arriba y abajo, pero se queda en el mismo lugar? Adivinanza que JAMÁS resolverás
En este nuevo desafío no deberás revisar una adivinanza o analizar un problema matemático, sino que debes analizar una imagen y descubrir cuál de todos los recipientes terminará llenándose de agua primero. ¡Vamos, comienza con este ejercicio en 3, 2, 1!
Acertijo: ¿Qué recipiente se llenará primero?
A continuación, analiza la imagen e intenta descubrir que recipiente se llenará primero de agua. ¿Existe un tiempo límite para resolverlo? Sí, solo tienes 10 segundos para descubrir la solución y retar a tus amigos. ¡Te deseamos mucha suerte!

Solo tienes 10 segundos para resolver este acertijo. Foto: Carlos Andrés Montenegro / YouTube.
Descubre el recipiente que se llenará primero en este acertijo
En caso de no dar con la solución en el tiempo establecido, aquí te dejaremos la imagen resuelta y el caso explicado para que entiendas porque sería el primer recipiente en llenarse. De todas formas, debes tener en cuenta mejorar tu capacidad mental.
Respuesta: El primer recipiente en llenarse por completo es el de la letra "F". ¿El motivo? Los tubos que lo unen no tienen ningún impedimento, desde la A a la L, todo va bien a diferencia de otros.

Descubre que recipiente se llenará primero. Foto: Carlos Andrés Montenegro / YouTube.
Si eres de las personas que buscan las imágenes más complicadas para evitar el aburrimiento y mejorar sus habilidades, entonces te invitamos a ingresar al Diario Líbero para acceder a los mejores acertijos mentales y retos visuales en las principal redes sociales.
¿Qué es lo primero que uno abre cuando se levanta? Solo un GENIO responderá en 8 segundos
Si crees tener las habilidades necesarias para superar este asombroso acertijo visual, no te puedes perder la oportunidad de resolverlo y comprobarlo.
Más acertijos visuales en Libero.pe
Ofertas

Cineplanet
CINEPLANET: 2 entradas 2D + 2 bebidas grandes + Pop corn gigante. Lunes a Domingo
PRECIO
S/ 47.90
Panini
Álbum Mundial 2026 PANINI: Álbum Tapa dura + Paquetón. Delivery Incluido. ULTIMO STOCK (10% Descuento * )
PRECIO
S/ 49.90
La Bistecca
ALMUERZO O CENA BUFFET + Postre + 1 Ice tea de Hierba luisa en sus 4 LOCALES
PRECIO
S/ 85.90
Cinemark
CINEMARK: Entrada 2D - opción a combo (Validación ONLINE o mostrando tu celular)
PRECIO
S/ 10.90







